襯膠閥門

D341J蝸輪襯膠法蘭蝶閥
D341J-10/16Q 蝸輪襯膠法蘭蝶閥設計結構新穎,整體尺寸小,重量輕;蝶板采用雙偏心,啟閉迅速,操作輕便省力;蝶板與密封圈間無滑動摩擦,密封面耐磨損,使用壽命長,密封可靠,易調整。
D341J蝸輪襯膠法蘭蝶閥產品概述:
D341J-10/16Q 蝸輪襯膠法蘭蝶閥設計結構新穎,整體尺寸小,重量輕;蝶板采用雙偏心,啟閉迅速,操作輕便省力;蝶板與密封圈間無滑動摩擦,密封面耐磨損,使用壽命長,密封可靠,易調整。適用于溫度≤120℃,公稱壓力≤1.6MPa的食品、醫藥、化工、石油、電力、輕紡造紙等給排水、氣體管道上作調節流量和截流介質的作用。
D341J蝸輪襯膠法蘭蝶閥產品特點:
1、設計新穎、合理、結構獨特,重量輕,啟閉迅速。
2、操力矩小,操作方便,省力靈巧。
3、可以任何位置安裝,維修方便。
4、密封件可以更換,密封性能可靠達到雙向密封零泄漏。
5、密封材料耐老化、耐弱腐蝕,使用壽命長等特點。
D341J蝸輪襯膠法蘭蝶閥設計標準:
設計與制造:GB12238
結構長度:GB12221(13系列)
法蘭連接尺寸:GB4216
D341J蝸輪襯膠法蘭蝶閥密封選型:
密封圈材料代號 | 適用溫度 | 適用介質 |
NR | ≤85℃ | 水、空氣、酸堿類 |
CR | ≤85℃ | 水、煤氣、酸堿類 |
NBR | ≤100℃ | 水、油品 |
CPDM | ≤120℃ | 水、蒸汽、一般酸堿類 |
FKM | ≤150℃ | 水、蒸汽、強酸堿類 |
D341J蝸輪襯膠法蘭蝶閥零件材料:
閥體 | 鑄鐵、球墨鑄鐵、碳鋼、不銹鋼 |
蝶板 | 鑄鐵、球墨鑄鐵、碳鋼、不銹鋼、碳鋼完全包覆橡膠或氟塑料 |
閥桿 | 碳鋼鍍鎳磷、不銹鋼 |
閥座密封圈 | 天然膠NR、氯丁膠CR、丁腈膠NBR、三元乙丙膠EPDM、氟橡膠FKM |
氣動裝置 | 組合件 |
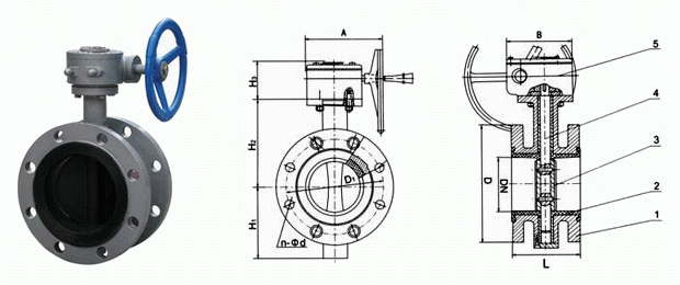
蝸輪襯膠法蘭蝶閥連接尺寸:

公稱通徑DN | L | D | D1 | n-d(mm) | H1 | H2 | 質量 | |
PN1.6 | PN1.6 | |||||||
50 | 108 | 165 | 125 | 4-18 | 4-18 | 91 | 120 | 8 |
65 | 112 | 185 | 145 | 4-18 | 4-18 | 104 | 140 | 11.5 |
80 | 114 | 200 | 160 | 8-18 | 8-18 | 107 | 150 | 12.5 |
100 | 127 | 220 | 180 | 8-18 | 8-18 | 135 | 165 | 23 |
125 | 140 | 250 | 210 | 8-18 | 8-18 | 129 | 190 | 40.5 |
150 | 140 | 285 | 240 | 8-22 | 8-22 | 131 | 205 | 46.5 |
200 | 152 | 340 | 295 | 8-22 | 12-22 | 177 | 255 | 61 |
250 | 165 | 395 | 350 | 12-22 | 12-26 | 206 | 270 | 73.5 |
300 | 178 | 445 | 400 | 12-22 | 12-26 | 220 | 320 | 103 |
350 | 190 | 505 | 460 | 16-22 | 16-26 | 264 | 358 | 120 |
400 | 216 | 565 | 515 | 16-26 | 16-30 | 298 | 400 | 217 |
450 | 222 | 615 | 565 | 16-26 | 327 | 420 | 242 | |
500 | 229 | 671 | 620 | 20-26 | 352 | 480 | 279 | |
600 | 267 | 780 | 725 | 20-30 | 446 | 560 | 396 | |
700 | 292 | 895 | 840 | 24-30 | 486 | 610 | 596 | |
相關產品


